NavList:
A Community Devoted to the Preservation and Practice of Celestial Navigation and Other Methods of Traditional Wayfinding
From: Andrés Ruiz
Date: 2011 Jan 25, 10:35 +0100
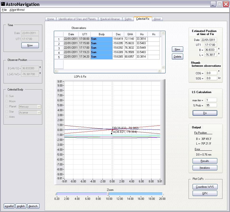
LS solution
Axes of the Ellipse: a, b
Prob = 0.9500
a = 0.9380
b = 17.4064
|
GHA
|
DEC
|
HO
|
BO
|
LO
|
LHA
|
HC
|
Z
|
p
[º] |
p
['] |
|
72.114 |
-19.6419 |
33.3814 |
36.8333 |
-76.3617 |
355.7523 |
33.3825 |
175.2078 |
-0.0011 |
-0.066 |
|
75.8633 |
-19.6396 |
33.5483 |
36.8333 |
-76.3617 |
359.5016 |
33.5252 |
179.4369 |
0.0231 |
1.386 |
|
76.3632 |
-19.6392 |
33.5449 |
36.8333 |
-76.3617 |
0.0015 |
33.5274 |
180.0017 |
0.0175 |
1.05 |
|
76.9589 |
-19.6389 |
33.5483 |
36.8333 |
-76.3617 |
0.5972 |
33.525 |
180.6747 |
0.0233 |
1.398 |
|
80.6957 |
-19.6365 |
33.3814 |
36.8333 |
-76.3617 |
4.334 |
33.3822 |
184.8898 |
-0.0007 |
-0.042 |
Time of LAN
Sol: 22/01/2011
Lugar: Lat = 36º 50.0' Lon
= -76º 21.7'
Comienzo Crepusculo Matutino:
10:44:19 Astronomico
11:15:10 Nautico
11:46:41 Civil
12:19:08 Orto Z = 114.9
17:16:60 Paso del
astro por el Meridiano superior del Lugar
H = 33º 31.6'
Culminacion: Z =
180.0 LHA = 0.001468 GHA = 76.363168
22:15:13 Ocaso Z = 245.2
Fin Crepusculo Vespertino:
22:47:41 Civil
23:19:12 Nautico
23:50:04 Astronomico
Los tiempos UT1 corresponden al paso del centro del
astro
Las alturas del fenomeno son geocentricas
LAN solution
Using all the shoots
Circles of position:
Attached: intermediate text files.






